工业锅炉水质标准
ICS 27.060.30
J 75
GB
GB/T 1576—2018
代替 GB/T 1576—2008
工 业 锅 炉 水 质
Water quality for industrial boilers
2018-05-14 发布 2018-12-01 实施
范围
本标准规定了工业锅炉运行时给水、锅水、蒸汽回水以及补给水的水质要求。
本标准适用于额定出口蒸汽压力小于3.8MPa且以水为介质的固定式蒸汽锅炉、汽水两用锅炉和 热水锅炉。
本标准不适用于铝材制造的锅炉。
水质标准
1 通则
1.1 水质指标中硬度和碱度计量单位均以一价离子为基本单元。
1.2 溶解氧指标均为经过除氧处理后的控制指标。
1.3 锅水中的电导率和溶解固形物可选其中之一作为锅水浓度的控制指标。
1.4 锅水中的亚硫酸根指标适用于加亚硫酸盐作除氧剂的锅炉,磷酸根指标适用于以磷酸盐作阻垢 剂的锅炉。
1.5 停(备)用锅炉启动时,8h内或者锅水浓缩10倍后锅水的水质应达到本标准的要求。
2 采用锅外水处理的自然循环蒸汽锅炉和汽水两用锅炉水质
2.1 采用锅外水处理的自然循环蒸汽锅炉和汽水两用锅炉的给水和锅水水质应符合表1的规定。
2.2 对于供汽轮机用汽的锅炉,蒸汽质量按照GB/T 12145中额定蒸汽压力3.8MPa~5. 8MPa汽包炉标准执行。
2.3 额定蒸发量大于或等于10t/h的锅炉,给水应除氧;额定蒸发量小于10t/h的锅炉如果发现局部氧腐蚀,也应采取除氧措施。

3 采用锅内水处理的自然循环蒸汽锅炉和汽水两用锅炉水质
3.1 额定蒸发量小于或等于4t/h,并且额定蒸汽压力小于或等于1.0MPa的自然循环蒸汽锅炉和汽水两用锅炉可以采用单纯锅内加药、部分软化或天然碱度法等水处理方式,但应保证受热面平均结垢速率不大于0.5mm/a,其给水和锅水水质应符合表2的规定。
3.2 采用加药处理的锅炉,其加药后的汽、水质量不得影响生产和生活。

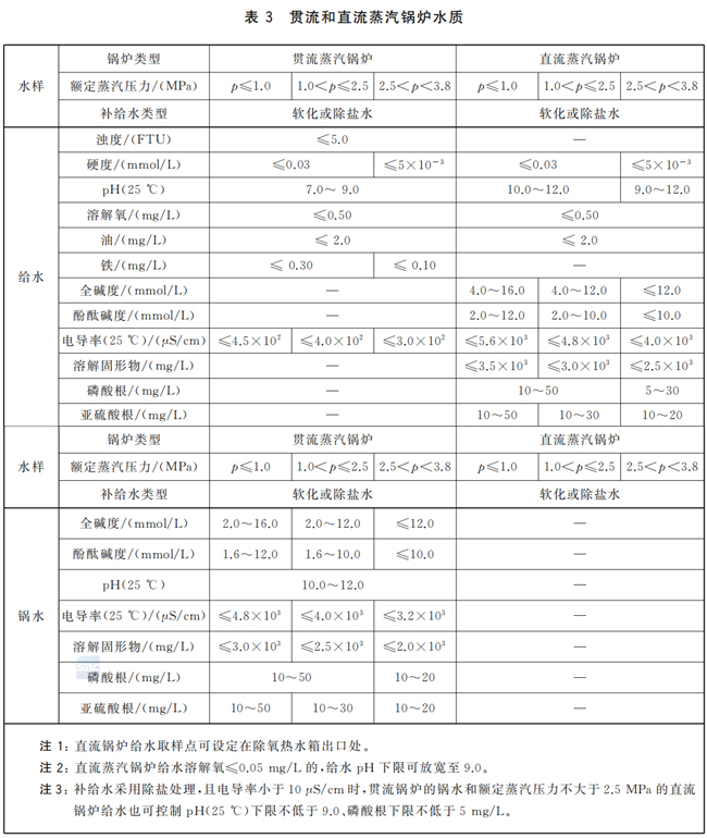
4 贯流和直流蒸汽锅炉水质
4.1 贯流和直流蒸汽锅炉给水和锅水水质应符合表3的规定。
4.2 蒸汽锅炉汽水分离器中返回到下集箱的疏水量,应保证锅水符合本标准;直流蒸汽锅炉汽水分离器中返回到除氧热水箱的疏水量,应保证给水符合本标准。

5 蒸汽锅炉回水
5.1 蒸汽锅炉回水水质宜符合表 4 的规定。
5.2 水用作锅炉给水应当保证给水质量符合本标准相应的规定。
5.3 应根据回水可能受到的污染介质,增加必要的检测项目。

6 热水锅炉水质
6.1 热水锅炉补给水和锅水水质应符合表5的规定。
6.2 对于有锅筒(壳),且额定功率小于或等于4.2 MW 承压热水锅炉和常压热水锅炉,可采用单纯 锅内加药、部分软化或天然碱度法等水处理,但应保证受热面平均结垢速率不大于0.5mm/a。
6.3 额定功率大于或等于7.0MW的承压热水锅炉应除氧,额定功率小于7.0MW的承压热水锅炉, 如果发现氧腐蚀,需采用除氧、提高 pH 或加缓蚀剂等防腐措施。
6.4 采用加药处理的锅炉,加药后的水质不得影响生产和生活。

7 余热锅炉水质
余热锅炉的水质指标应符合同类型、同参数锅炉的要求。
8 补给水水质
8.1 应根据锅炉的类型、参数、回水利用率、排污率、原水水质,选择补给水处理方式。
8.2 补给水处理方式应保证给水水质符合本标准。
8.3 软水器再生后出水氯离子含量不得大于进水氯离子含量1.1倍 。
同类文章排行
- GB/T6682-2008 《分析实验室用
- 2023年最新工业锅炉水质标
- 纯化水系统中硝酸盐经常
- 实验室常用去离子水、蒸
- 中国药典2020纯化水电导率
- 超纯水机压力水箱氮封原
- 蒸馏水制取超纯水方法
- 医疗系统消毒供应室纯水
- 临床实验室试剂用纯化水
- 反渗透纯水机安装图
